• Home
  • About Us
  • Products
  • Services
  • Our Projects
  • News & Events
  • Contact
  • Home
  • About Us
  • Products
  • Services
  • Our Projects
  • News & Events
  • Contact

News & Events

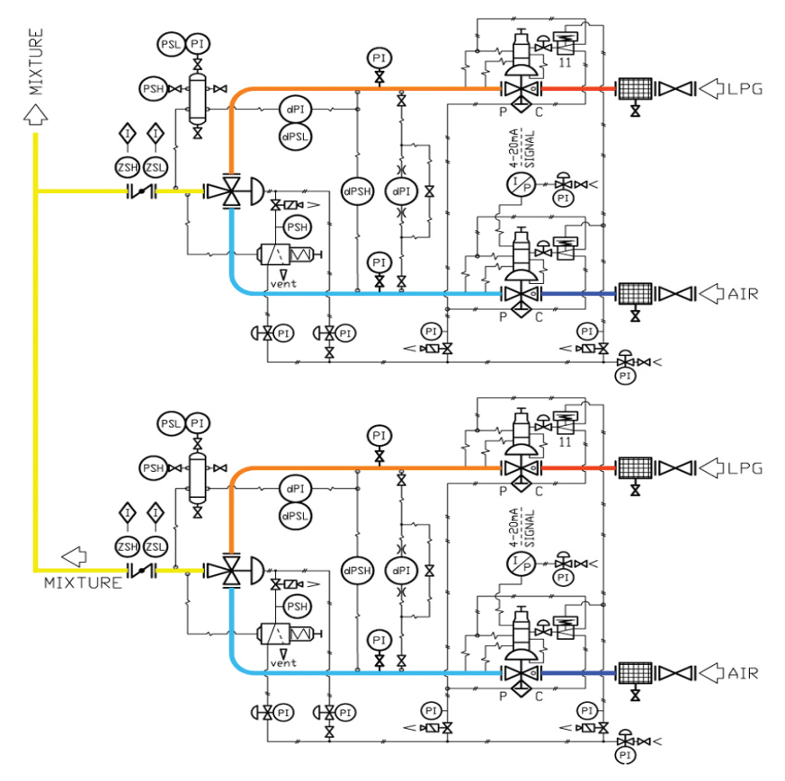
New innovation concept of SNG

Let’s highlight the advantages of the distribution of interchangeable gases versus the distribution of a single energy source.
The availability of a gas mixture that is interchangeable with a primary gas (interchangeability is given by a mixture ratio which delivers the same Wobbe Index of the primary gas) provides gas distribution companies and energy managers the option to distribute a gas mixture as an alternative or in addition to a primary gas. In the field, this option means:
• Reducing strategic dependence;
• Increasing negotiating power;
• Managing peak shaving;
• Covering peaks of demand.
An example is the distribution of SNG (synthetic natural gas), a mixture of LPG (liquified petroleum gas) and air regulated to deliver the same Wobbe Index of natural gas.
• By distributing SNG where natural gas is not available gas distribution companies advance the delivery of natural gas;
• by distributing SNG as an alternative to natural gas, gas distribution companies reduce economic and strategic dependence on natural gas;
• by distributing SNG in addition to natural gas, gas distribution companies cover peaks of demand;
• by distributing SNG instead of bottled LPG, gas distribution companies enable their customers to operate more efficiently, reduce pollution, and increase safety.

International Fire Safety & Security -EXPO 2022

Quality Engineering proudly participated in the ​International Fire Safety & Security -EXPO (IFSSE) 2022. 

Sixth year anniversary of Quality Engineering

Quality Engineering happily organized the sixth year celebration of its initiation. 

 ​Corporate Office

House-6, Road-29, Block-B, Parise Road, Mirpur-10, Dhaka-1216

 ​Phone

01556314387, 01739834088
support@qualityengineering.com.bd
Career

Copyright  Quality Engineering. Developed by Jent